-
- 车载充方案 英集芯科技 - 车充芯片解决方案
- 英集芯车充芯片选型,英集芯车充芯片型号大全,英集芯车充芯片...
2025-07-15 查看(742)
-
- 车载充方案 IP6540T 45W PD快充芯片 | 超高性价比车充解决方案
- IP6540T 是一款集成同步开关的降压转换器、支持USB-C接口的 PD2.0/PD3.1/PPS 协议,以及多种DPDM 快充协议,为车载充电器、快充适配器、智能排插提供完整的解决方案。...
2025-06-06 查看(1042)
-
- 车载充方案 IP2267_C/IP2267_A双端口快充芯片 | 内置功率管的多协议解决方案
- IP2267_C支持 Type-C 双端口输出,单口输出时支持全部快充协议,双口同时插入时输出5V,为适配器等单向输出应用提供双端口方案,IP2267 C 支持不同的调压模式,IP2267_CO更适用于适配器方案,IP2267CF更适用于车充方案。...
2025-06-06 查看(1046)
-
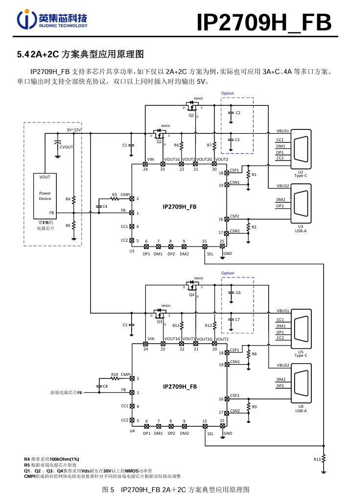
- 车载充方案 IP2709H_FB多口快充协议IC:车载充电器与多设备共享方案
- 英集芯科技推出了IP2709H_FB——一款集成多种快充协议的双端口输出IC,专为车载充电器和多设备共享场景设计,为用户提供高效、安全的充电解决方案。IP2709H_FB支持双端口输出,可配置为USB-A和Type-C、双Type-C、双USB-A三种模式,还能通过多芯片级联实现四端口输出方案,满足...
2025-04-07 查看(696)
-
- 车载充方案 英集芯IP6535L:36W全协议快充降压芯
- 英集芯(INJOINIC)推出的IP6535L,作为一款集成同步降压转换器与多协议快充功能的SOC芯片,以36W高功率输出、全协议兼容及多重智能保护功能,成为车载充电器、快充适配器及智能家居设备的理想选择。本文将从技术特性、应用场景、设计优势等角度,深度解析IP6535L如何助力客户打造高性能、高可...
2025-03-17 查看(933)
-
- 车载充方案 英集芯IP6535LM:36W高集成快充降压芯片
- 英集芯(INJOINIC)推出的IP6535LM,作为一款集成同步降压转换器与多协议快充功能的SOC芯片,凭借其36W高功率输出、广泛兼容性及多重保护机制,正成为车载充电器、快充适配器等领域的标杆解决方案。本文将从技术特性、应用场景、设计优势等多维度解析IP6535LM如何赋能智能充电设备,满足市场...
2025-03-17 查看(931)
-
- 车载充方案 英集芯车规级芯片IP6591_Q1搭配IP2727_Q1,USB Type-C PD充电方案
- 英集芯IP6591_Q1车规级同步Buck-Boost控制器正式发布,支持IIC/FB调压,搭配IP2727_Q1实现高效车载USB PD充电方案,满足12V电池系统需求。IP6591_Q1车规级升降压控制器发布 | 支持USB PD快充与IIC调压 | 英集芯...
2025-03-07 查看(1039)
-
- 车载充方案 英集芯IP6546发布高效5V3A输出,集成DCP协议,支持双USB输出
- IP6546是一款集成同步开关的降压转换器,支持5V/3A输出,内置DCP协议(包括BC1.2、Apple和三星协议),并支持双USB输出口。该产品采用SOP8L封装,输入电压范围为5.4V至30V,输出电压为5V,最大输出电流为3.6A。IP6546具有高效率(94.6%)、100%占空比、VOU...
2025-02-20 查看(1081)
-
- 车载充方案 英集芯IP2261F发布 - 支持FB调压的PD快充协议IC
- 英集芯IP2261F发布,支持FB调压的PD快充协议IC,支持多种快充协议,SOP封装,最大支持20V,极简BOM,适合中低端快充方案...
2025-02-19 查看(681)




粤公网安备 44030902003772号