扫二维码与项目经理沟通
我们在微信上24小时期待你的声音
解答本文疑问/技术咨询/运营咨询/技术建议/互联网交流
一、特性
同步开关充放电
3A 同步升压转换,3A 同步开关充电
升压效率最高达 95%
充电效率最高达 93%
内置电源路径管理,可定制支持边充边放支持输出线补
充电
自动调节充电电流,匹配适配器输出能力
支持 VBUS 3A、VIN 2A 充电
支持 4.20V、4.30V、4.35V 和 4.4V 电池电量显示
内置 10bit ADC 和电量计
支持 1/2/3/4 颗 LED 电量显示
支持 88、188 等各种数码管电量显示
智能识别 LED 灯模式和数码管
功能丰富
内置照明灯驱动
支持 NTC 功能
自动检测负载插入/拔出
集成 TYPE-C DRP 协议,支持单口输入输出
集成手机充电电流智能识别 DCP低功耗
智能识别负载拔出,自动进待机待机功耗小于 150 uA
BOM 极简
功率 MOS 内置,2.2uH 单电感实现充放电内置多种数码管驱动电路多重保护、高可靠性n输出过流、过压、短路保护输入过压、过充、过流保护整机过温保护Vin 瞬态耐压高达 16VESD 4KV
深度定制
可灵活低成本定制方案
封装 QFN28 4mm*4mm
二、应用
移动电源/充电宝
手机、平板电脑等便携式设备
三、简介
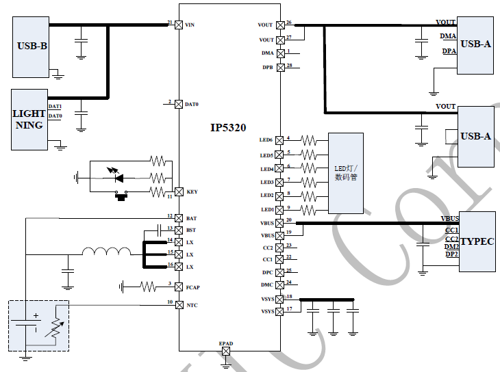
IP5320 是一款集成升压转换器、电池充电管理、电池电量指示的多功能电源管理 SOC,为数码管显示移动电源提供完整的电源解决方案。
IP5320 的高集成度与丰富功能,使其在应用时仅需极少的外围器件,并有效减小整体方案的尺寸降低 BOM 成本。
IP5320 只需一个电感实现降压与升压功能。可以支持低成本电感和电容。
IP5320 的同步升压系统提供额定 3A输出电流转换效率高至 95%。空载时,自动进入休眠状态,静态电流降至 150uA 以内。
IP5320 采用开关充电技术,提供额定 3A 充电电流,充电效率高至 93%。内置 IC 温度和输入电压智能调节充电电流。
IP5320 内置 10bit ADC,内置电流采样电路精确测量电池电压和电流。IP5320 内置电量计算法可准确获取电池电量信息。可设置电池容量,以精准显示电池电量。
IP5320 支持 1/2/3/4 颗 LED 电量显示,支持88、188 等各种数码管电量显示;支持照明功能;支持按键。
IP5320 支持 12C 控制接口。


我们在微信上24小时期待你的声音
解答本文疑问/技术咨询/运营咨询/技术建议/互联网交流