扫二维码与项目经理沟通
我们在微信上24小时期待你的声音
解答本文疑问/技术咨询/运营咨询/技术建议/互联网交流
一、双C口并联方案
双C并联方案,覆盖输出35W~100W功率段
并联方案架构由两路Flyback+协议IP2738U BC组成单口时两路Flyback功率叠加输出,获得单口最大功率双口时独立快充,由各自的Flyback负责对应端口的供电。
可支持快充协议:PD2.0/PD3.0/PD3.1/PD3.2/PPSQC5/QC4+/QC3+/QC3.0/QC2.0,,FCP SCP AFCSFCP,MTK PE+ 2.0/1.1,Apple ,BC1.2,UFCS
注1:并联方案协议需选用定制型号IP2738U BC,其向下兼容IP2738U所有功能,增加支持CO、CF调压并联架构。
注2:两路Flyback可以是相同功率,也可以一大一小,双口同插时本组Flyback功率决定对应输出口对外所能提供最大功率。根据输出口功率大小可变更AC-DC方案,小功率可采用合封方案如IP2036+IP2008Ls等。

二、2C1A双路并联方案
2C1A并联方案,在双C并联方案基础上增加一A口,覆盖输出35W~100W功率段
并联方案架构由两路Flyback+协议IP2738U BC组成单口时两路Flyback功率看加输出,获得单口最大功率双口时独立快充,由各自的Flyback负责对应端口的供电。
可支持快充协议:PD2.0/PD3.0/PD3.1/PD3.2/PPSQC5/QC4+/QC3+/QC3.0/QC2.0,,FCP, SCP AFC,SFCP,MTK PE+ 2.0/1.1,Apple,BC1.2,UFCS
注1:因只使用一颗IP2738U BC,故C2口仅支持CC通信协议,DP2,DM2给到A口使用;C2A同插进入共享模式。A口外接差分运放做电流检测,当电流小于一定值时,释放C2进入快充。
注2:两路Flyback可以是相同功率,也可以一大一小,双口同插时本组Flyback功率决定对应输出口对外所能提供最大功率。根据输出口功率大小可变更AC-DC方案,小功率可采用合封方案如IP2036+IP2008Ls等。

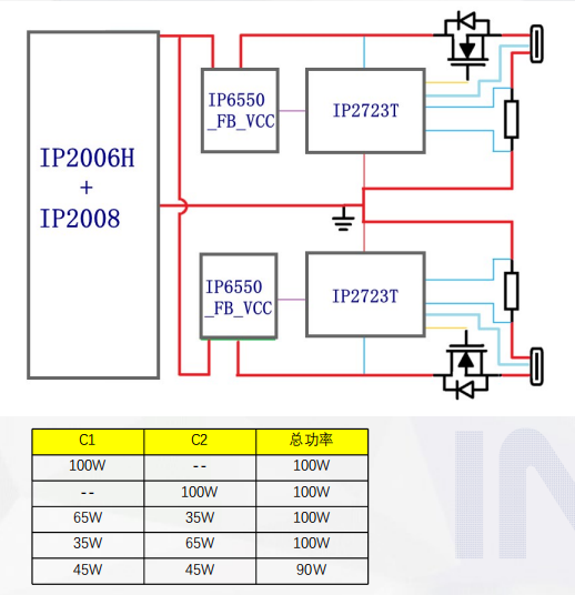
三、2C1A/3C双Flyback方案--任意双插获得最大功率
2C1A/3C分立方案,覆盖输出35W~100W功率段。
方案架构由两路Flyback+协议IP2738U BC+IP2723T组成方案特点任意双插可获得最大功率输出,三口同插C2A(C2C3)进入共享模式。
可支持快充协议:PD2.0/PD3.0/PD3.1/PD3.2/PPSQC5/QC4+/QC3+/QC3.0/QC2.0,,FCP, SCP AFC,SFCP,MTK PE+ 2.0/1.1,Apple ,BC1.2,UFCS
注1:该方案更适合两路Flyback一大一小功率组合,实现任意双插获得最大功率输出,具有较高的性价比;
单口输出仅得单路最大功率,三口同插则有两口进入共享。

四、2C1A双Flyback低成本方案
2C1A分立低成本方案,覆盖输出35W~100W功率段。
方案架构由两路Flyback+协议IP2723T+IP2726组成方案特点:单插任意C口可获得单路最大功率,性价比高。
可支持快充协议:PD2.0/PD3.0/PD3.1/PD3.2/PPSQC5/QC4+/QC3+/QC3.0/QC2.0,,FCP SCP AFCSFCP,MTK PE+ 2.0/1.1,Apple ,BC1.2
注1:该方案更适合两路Flyback一大一小功率组合,确保C口单插可获得单路最大功率。

五、传统双口方案架构简介
双C常规方案,覆盖输出35W~100W功率段。
输出配Flyback+Buck*2+IP2723T*2/IP2738U*1的架构,置灵活,可实现双插快充乃至双口动态功率分配。
可支持快充协议:PD2.0/PD3.0/PD3.1/PD3.2/PPSQC5/QC4+/QC3+/QC3.0/QC2.0,,FCP, SCP, AFC,SFCP,MTK PE+ 2.0/1.1,Apple ,Bc1.2
注:如需兼容UFCS协议或动态功率分配等导致协议空间不足时可选择IP2738U替代两个IP2723T。


我们在微信上24小时期待你的声音
解答本文疑问/技术咨询/运营咨询/技术建议/互联网交流