QQ联系
电话联系
手机联系
3523
LED方案 单颗芯片功率7W球泡灯线性恒流驱动芯片

2023-02-17 查看(953)

CYT1000AE是一款线性恒流IC,输出电流可调,恒流精度高,应用方案简单,成本和阻容降压相当,具有过温保护功能,更安全,更可靠。电容C3主要起到抗浪涌缓冲作用,避免IC瞬间被击穿,提高产品可靠性...
3523
LED方案 恒流高压LED驱动芯片CYT3000B规格书

2023-02-16 查看(1100)

CYT3000B是高功率因数线性恒流高压LED驱动芯片,应用于LED照明领域。该芯片通过独特的恒流控制技术,实现恒流精度小于±5%,输出电流可由外接电阻RCS调节。芯片具有高功率因数和低谐波失真。...
3523
LED方案 适用于LED可控硅调光的台湾奇力VAS1001去频闪ic

2023-02-16 查看(1371)

目前AC高压线性LED可控硅调光灯具的应用中,经常会遇到在有限的灯具空间中放置大体积电解电容来消除频闪问题,这样必然会导致灯具内部温度上升极快,从而不能良好的散热,甚至不能正常长时间的工作,此类问题一直在困扰着广大灯具厂家。...
3523
1946伟德bet TWS无线耳机充电仓芯片ip6816带qi无线接收功能

2023-02-16 查看(1947)

IP6816是一款集成Qi无线充接收、5V升压转换器、锂电池充电管理、电池电量指示的多功能电源管理SoC,为无线充TWS蓝牙耳机充电仓提供完整的电源解决方案。...
3523
1946伟德bet TWS对耳蓝牙充电仓soc芯片IP5516伟德客户端app下载安装教程图片方案设计

2023-02-16 查看(853)

IP5516是一款集成5V升压转换器、锂电池充电管理、电池电量指示的多功能电源管理SoC,为TWS蓝牙耳机充电仓提供完整的电源解决方案,IP5516的高集成度与丰富功能,使其在应用时仅需极少的外围器件,并有效减小整体方案的尺寸,降低BOM成本。IP5516内置一个5V输出...
3523
1946伟德bet TWS无线耳机充电仓PCBA方案设计IP5403芯片

2023-02-16 查看(439)

IP5403是一款集成升压转换器、锂电池充电管理、电池电量指示的多功能的TWS充电盒SOC,为TWS充电盒提供完整的电源解决方案。IP5403的高集成度与丰富功能,使其在应用时仅需极少的外围器件,并有效减小整体方案的尺寸,降低BOM成本。...
3523
车载充方案 快充全协议芯片IP2726支持苹果三星华为

2023-02-16 查看(1503)

英集芯新推出的一款快充协议芯片IP2726是集成多种协议、用于USBC端口的快充协议IC TypeC PD2.0/PD3.0/PPS, QC4/QC4+, FCP, SCP, AFC, MTK PE+ 2.0/1.1, Apple , BC1.2...
3523
车载充方案 英集芯 ip6528车载快充全集成ic

2023-02-16 查看(6114)

ip6528是一款集成同步开关的降压转换器、支持14种输出快充协议、支持Type-C输出和USB PD2.0/PD3.0(PPS)协议的双口输出SOC IC,为车载充电器、快充适配器、智能排插提供完整的解决方案。...
3523
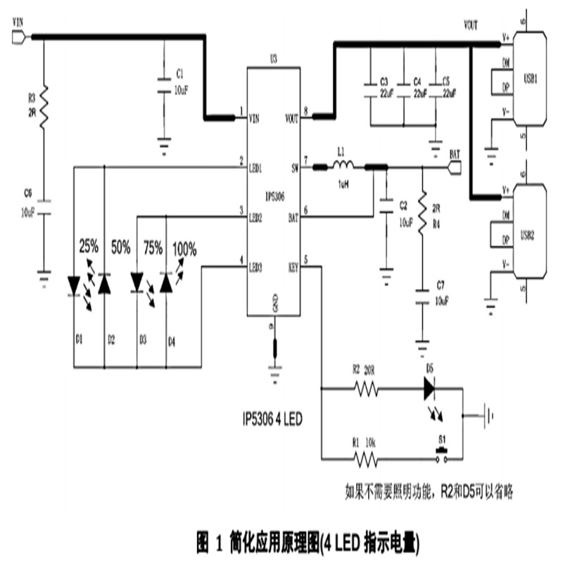
1946伟德备用网址 IP5306 2.1A充电2.4A放电移动电源SOC

2023-02-15 查看(2232)

IP5306是一款集成升压转换器、锂电池充电管理、电池电量指示的多功能电源管理SOC,为移动电源提供完整的电源解决方案。可应用移动电源/充电宝;手机,平板电脑等便携式设备。...
Baidu
map